产品
k8凯发电竞焊接/搬运专家
始于焊接,不止于焊接
始于焊接,不止于焊接
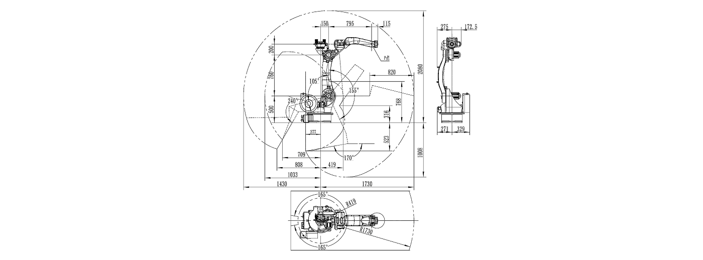
臂展1.8米,设计高度紧凑,可灵活选择地面安装或倒挂安装。
工作空间大、运行速度快、重复定位精度高,适用于焊接应用,适用范围广。
配置独立于控制系统的安全急停板,采用安全继电回路,对外提供双回路急停,确保急停的可靠性。
本体电缆采用高柔机器人专用电缆。
内置变压器,380V和220V进行隔离,电源更稳定。
内装滤波器,有效改善EMC和EMI性能。
本体提供双回路气管,满足焊接的需求。
6轴的中孔内径为44mm,可满足水冷枪、波纹管枪的安装要求。
内置高柔焊接电缆。


